- Главная
- Продукция
- Калориферы КСк
- Калориферы КПСк
- Теплообменники
- Воздухонагреватели водяные ВНВ113
- Воздухонагреватели паровые ВНП113
- Воздухонагреватели водяные ВНВ123
- Воздухонагреватели паровые ВНП123
- Воздухонагреватели ВНВ113МС
- Воздухонагреватели ВНВ113МБ
- Воздухонагреватели ВНП113ФС
- Воздухонагреватели ВНП113ФБ
- Калориферы (маслоохладители) КМ5 и КМ6
- Калориферы энергетические КПВ3 и КПВ5
- Агрегаты АВ с теплоносителем - вода
- Агрегаты АП с теплоносителем - пар
- Агрегаты воздушно-отопительные АО2
- Вентиляторы осевые ВО-18-287
- Агрегаты воздушно-отопительные СТД
- Агрегаты воздушно-отопительные СТД-300М
- Агрегаты воздушно-отопительные АО2М
- Электрокалориферные установки ЭКОЦ
- Электроустановки воздухонагревательные УВНЭ
- Установки воздухонагревательные ВНУ
- Воздухонагреватели электрические ВНЭ
- Воздухонагреватели электрические серии ВЭ
- Тепловые завесы
- Установки воздухонагревательные электрические УВЭ
- Тепловентиляторы
- Воздухонагревательные установки типа ВУ
- Установка воздухонагревательная для сушилок УВС
- Тепловые пушки
- Инфракрасные обогреватели
- Вентиляторы дутьевые ВД и ВДН
- Дымососы центробежные Д и ДН
- Вентилятор осевой ВО-06-300
- Установки электрокалориферные СФОЦ
- Установки электрокалориферные ЭКУ
- Агрегаты вентиляционно-приточные АВП
- Радиальные вентиляторы среднего давления ВР-285-44
- Вентиляторы мельничные
- Вентиляторы дутьевые
- Дымососы
- Вентиляторы радиальные ВЦ 14-46
- Вентиляторы радиальные ВЦ 4-75
- Вентиляторы радиальные высокого давления ВР-132-30
- Калориферы
- Вентиляторы радиальные пылевые ВРП
- Вентиляторы крышные радиальные ВКР
- Дестратификаторы
- Радиальные вентиляторы низкого давления ВР-80-75
- Тепловентиляторы электрические
- Вентиляторы
- Контакты
- Таблица замены
- Доставка
- Прайс-лист
Продукция
Калориферы КСк
КСк 2-7
тел: +7 (495) 974-97-11 info@tdkalorifer.ru адрес: 115280, г. Москва, ул. Ленинская Слобода, д. 23, стр. 16КСк 2-7
Калорифер КСк 2-7
| Продукция - Калориферы КСк |
Калорифер КСк 2-7 предназначен для нагрева воздуха в системах вентиляции, воздушного отопления и кондиционирования воздуха, а также для использования различного технологического оборудования.
СХЕМА ПРИМЕНЕНИЯ КАЛОРИФЕРОВ В КАЧЕСТВЕ ТЕПЛОУТИЛИЗАТОРОВ:
ТЕХНИЧЕСКИЕ ХАРАКТЕРИСТИКИ:
|
Наименование параметра |
Производительность по воздуху, м3/ч |
Производительность по теплу, кВт |
Площадь поверхности теплообмена, м2 |
Площадь фронтального сечения, м2 |
Площадь живого сечения, м2 |
Число ходов по теплоносителю |
Масса, кг, не более |
|
КСк 2-7 |
3150 |
42,8 |
11,2 |
0,329 |
0,00084 |
4 |
28 |
Технические характеристики указанные в таблице приведены для режима:
- температура воды на входе – 150оС;
- температура воды на выходе – 70оС;
- температура воздуха на входе – минус 20оС;
- массовая скорость в набегающем потоке - 3,6 кг/м2 с;
- скорость воды в трубах - 0,7 ± 0,035 м/с;
- аэродинамическое сопротивление 3-х рядных калориферов - 53,5 +4,28
Теплоноситель - горячая или перегретая вода с параметрами:
- рабочее давление не более - 1,2 МПа;
- температура не более - 190оС.
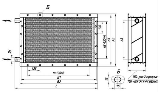
ГАБАРИТНЫЕ И ПРИСОЕДИНИТЕЛЬНЫЕ РАЗМЕРЫ
|
Индекс изделия |
Присоединительные размеры, мм |
|||||||||||
|
Калорифер КСк 2-7 |
А |
А1±3 |
А2 |
А3 |
В |
В1±3 |
В2 |
L |
Dy |
n |
n2 |
V, м3 |
|
375 |
551 |
575 |
430 |
625 |
703 |
727 |
775 |
32 |
5 |
3 |
0,080 |
|
| < Предыдущая | Следующая > |
|---|


