ГЛАВНАЯ
Электрокалориферы ЭКО
Электрокалорифер ЭКО-16
Электрокалориферы ЭКО
Электрокалорифер ЭКО-16
тел: +7 (495) 974-97-11 info@tdkalorifer.ru адрес: 115280, г. Москва, ул. Ленинская Слобода, д. 23, стр. 16Электрокалорифер ЭКО-16
| Продукция - Электрокалориферы ЭКО |
Электрокалорифер ЭКО-16
является канальным воздухонагревателем, используемым в составе установки ЭКОЦ. Он может быть подключен к системам вентиляции помещений промышленного назначения: цехам, ангарам, складам и т.п.
Электрокалорифер ЭКО-16
обогревает воздух в рабочей среде без взрывоопасных веществ, с незначительным количеством токопроводящей пыли. Так же рассчитан на эксплуатацию в условиях умеренного и холодного климата, максимально допустимая температура использования - до -25оС.
ТЕХНИЧЕСКИЕ ХАРАКТЕРИСТИКИ
|
Марка электрокалорифера |
Мощность, кВт |
Производительность по воздуху, м3/час |
Перепад температур на входе и выходе, оС |
Аэродинамическое сопротивление по воздуху, Па |
Число секций |
Мощность секций, кВт |
|
ЭКО-16 |
15,0 |
1900 |
35 |
70 |
2 |
7,5 |
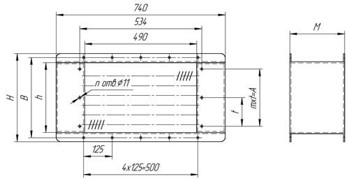
ГАБАРИТНЫЕ РАЗМЕРЫ
|
Размеры,мм |
||||||||
|
h |
B |
H |
t |
A |
M |
n |
m |
V, м3 |
|
170 |
215 |
250 |
125 |
125 |
175 |
28 |
1 |
0,031 |
| < Предыдущая | Следующая > |
|---|

